FREE SHIPPING above Rs. 999/- | CASH ON DELIVERY*

Bonmac Screw Operated Self Centering Chuck SOC-2

Bonmac Screw Operated Self Centering Chuck SOC-2

Price :
7550.00
GST inclusive
Model:
Quantity:

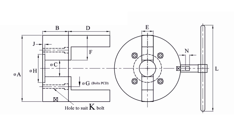
Size

A

B

C(Bore)

D

E

F

G(PCD)

H(H7)

J

K

L

N

Weight

160

160

95

-

90

34.9

55

138

120

5

M10

285

12

14.4

250

250

101

-

130

40.7

85

110*

130*

8

M12

320

13

33.0

350

355

101

85

185

40.7

110

155*

175*

10

M12

350

13

56.8

 

  • These are special 2-Jaw Self Centring Chucks but without scroll. This self centring mechanism is made with the help of one screw which moves both the jaws. These chucks usually have high height jaws with threaded holes. These jaws are kept soft so that machining or welding can be done on them. Special type of fixture can be mounted on the Jaws to suit special jobs. These fixtures are machined to make the same true. These chucks are not as accurate as scroll operated Self Centring Chucks, but these can tolerate heavy load. Operating Key, Mounting Bolts, Allen Key & Tap is provided with each Chuck.