FREE SHIPPING above Rs. 999/- | CASH ON DELIVERY*

IMI Quick Change Tapping Chuck Model-QA

IMI Quick Change Tapping Chuck Model-QA

Price :
477.00
GST inclusive
Model:
Quantity:

Model

Ordering number

For taps

Suitable for chuck size

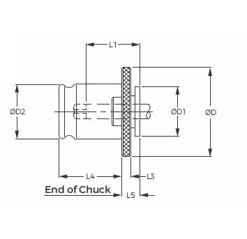
ØD

ØD1

ØD2

L1

L3

L4

L5

Thread Ø

Shank Ø

QA0

40.000..

M1-M10

2.5-7.2

0

22

13

13

15

4

19.50

7

QA1

40.100..

M3-M12

3.5-11.3

1and32

30

19

19

17

4

21.50

7

QA2

40.200..

M8-M20

7-18

2

48

30

31

30

5

35

11

QA3

40.300..

M14-M33

11-28

3

70

48

48

44

6

55.50

14

QA4

40.400..

M22-M48

18-36

4

92

60

60

71

13

63

42

QA5

40.500..

M33-M52

25-42

5

114

70

78

95

13

92

44

QA5a

40.500..

M56-M68

>42-56

5

114

90

78

95

13

92

108

QA40

40.700..

M6-M18

6-14

40

40

25

26

30

5

32

13

 

  • For use on CNC machining center, CNC turning center, center lathe. drilling machine. length compensation acting on compression and expansion to compensate for differences between spindle feed and pitch of thread. the chuck is equipped with pressure point mehanism to increase the cutting pressure to ensure positive start when tapping cycle commences.