FREE SHIPPING above Rs. 999/- | CASH ON DELIVERY*

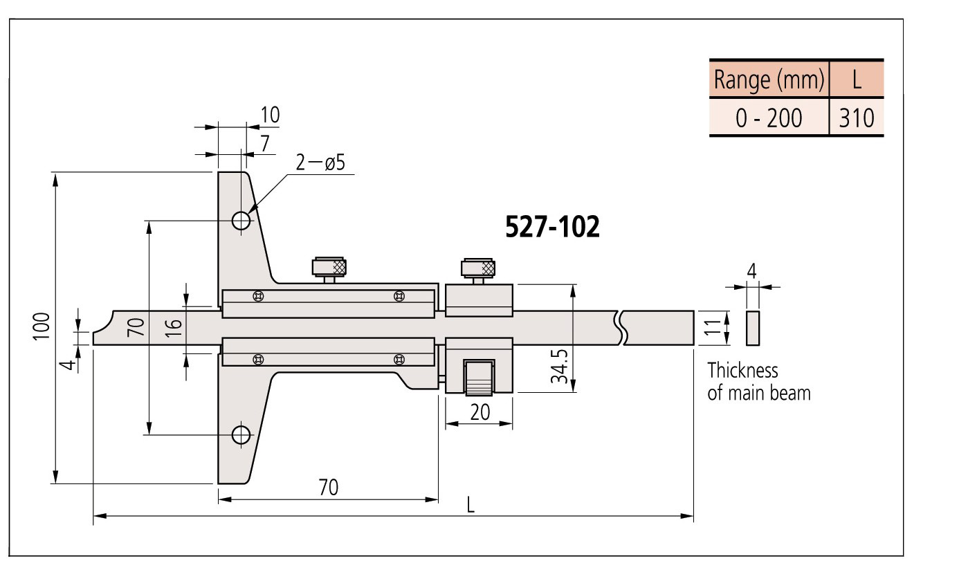
Mitutoyo Vernier Depth Gage 527 Series

Mitutoyo Vernier Depth Gage 527 Series

Price :
7434.00
GST inclusive
Code:
Quantity:

Order no

Range

Minimum reading (mm)

Base ( WxT) (mm)

Maximum permissible  error* (mm) EMPE

Remark

527-102

0-200mm

0.02mm

10x6.5

±0.03mm

With fine adjustment

 

  • Standard gage for depth measurement. 
  • Optional loger extension bases are available, ( except for models with measuring ranges of 600 and 1000mm)