FREE SHIPPING above Rs. 999/- | CASH ON DELIVERY*

Zither Big Bore Self Centering Chuck BBC-3

Zither Big Bore Self Centering Chuck BBC-3

Price :
8320.00
GST inclusive
Model:
Quantity:

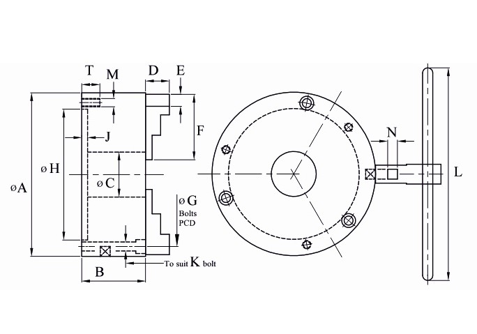
Size

A

B

C

(bore)

D

E

F

G

(PCD)

H

(H7)

J

K/M

L

N

T

Weight Kgs approx

3 jaw

160

160

70

52

24

20

65

140

125

6

M10

215

10

20

9.2

200

200

78

76

29

22

80

176

160

7

M10

285

12

22

15.6

250

250

86

90

35

29

95

224

200

7

M12

315

13

25

26.2

270

270

86

105

35

29

95

245

220

7

M12

315

13

25

29.0

315

315

88

130

42

32

109

286

260

7

M12

350

13

25

40.5

400

400

95

170

50

38

141

348

320

7

M16

450

16

32

73.5

 

  • These chucks are available with 3 jaws, 4 jaws and 6 jaws and are referred as BBC-3, BBC-4 and BBC-6 respectively. These are similar to Normal Standard Chucks, the only difference is that the bore is larger than normal Chucks. These chucks are used where machine is lighter and the job requires large bore in the chuck. One set of Reverse Jaws, Mounting bolts, Operating Key and inspection report is provided with each chuck.