FREE SHIPPING above Rs. 999/- | CASH ON DELIVERY*

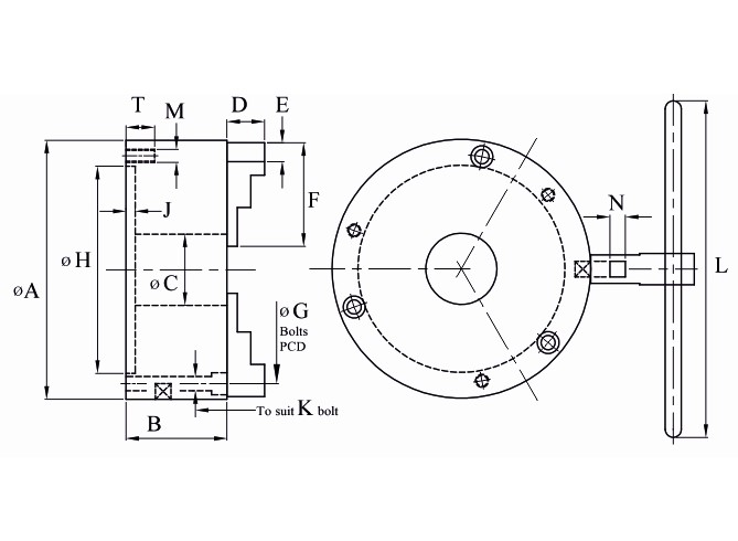
Zither Crankshaft Grinder Chuck CRC-3

Zither Crankshaft Grinder Chuck CRC-3

Price :
7615.00
GST inclusive
Model:
Quantity:

Size

A

B(Bore)

C

D

E

F

G(PCD)

H(H7)

J

K/M

L

N

T

Wt. kgs 3-Jaw

160

160

70

42

24

20

65

140

125

6

M10

215

10

20

9.2

200

200

78

55

29

22

80

176

160

7

M10

285

12

22

15.6

 

  • This chuck is available with 3 jaws only and is referred as CRC-3. This chuck is similar to Normal Standard Chuck. The only difference is that the gripping portion of jaws have serrations & rod of Operating key is longer. This is done to obtain maximum grip on crankshaft. One set of reverse Jaws, Mounting bolts, Operating Key and inspection report is provided with each chuck.