FREE SHIPPING above Rs. 999/- | CASH ON DELIVERY*

Zither Self Centering Chuck STC-3

Zither Self Centering Chuck STC-3

Price :
7345.00
GST inclusive
Model:
Quantity:

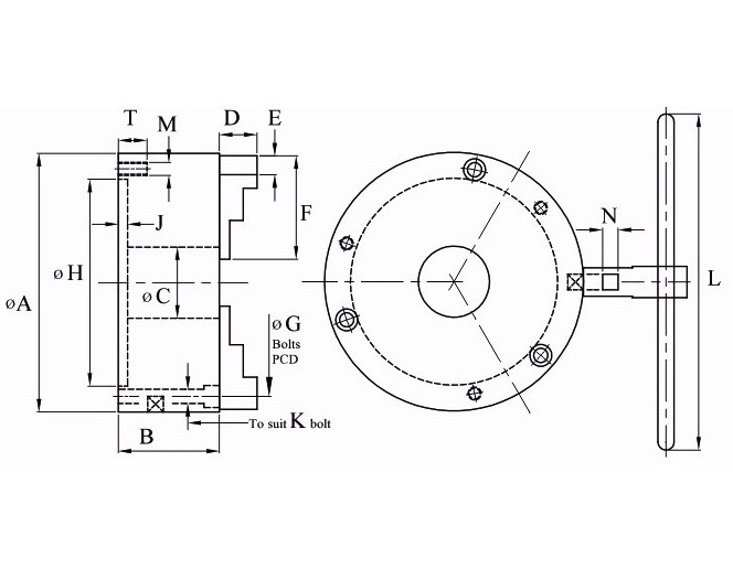
Size

A

B

C

(bore)

D

E

F

G

(PCD)

H

(H7)

J

K/M

L

N

T

Wt.kgs Approx

3 jaw

60

62

40

11

11

9.4

24

51.5

43

2.5

M5

140

6

12

0.9

80

83

45

19

13

12

29

71.3

63.5

3

M5

140

6

12

2.2

100

103

52

26

17

15**

37

89

762

3

M6

175

8

12

3.3

160

160

70

42

24

20

65

140

125

6

M10

215

10

20

9.2

200

200

78

55

29

22

80

176

160

7

M10

285

12

22

15.6

200

200

80

55

29

29

80

176

160

7

M10

285

12

22

17.2

230

230

78

70

29

22

80

205

180

7

M10

285

12

22

21.1

250

250

86

76

35

29

95

224

200

7

M12

315

13

25

26.2

270

270

86

90

35

29

95

245

220

7

M12

315

13

25

29.0

315

315

88

105

42

32

109

320

300

7

M12

350

13

25

40.5

400

400

95

150

50

38

141

348

320

7

M16

450

16

32

73.5

450

450

95

180

50

38

141

422

390

7

M16

450

16

32

87.0

 

  • These chucks are available with 3 jaws are referred as respectively. STC-3 chucks are most popular. STC-2 and STC-4 chucks are used when the job is square. STC-6 chucks are used to grip jobs having thin wall thickness. The gripping pressure is divided on six sides. One set of reverse Jaws, Mounting Bolts, Operating Key and Inspection Report is provided with each chuck.