FREE SHIPPING above Rs. 999/- | CASH ON DELIVERY*

Zither Self Centering Chuck STC6

Zither Self Centering Chuck STC6

Price :
10090.00
GST inclusive
Model:
Quantity:

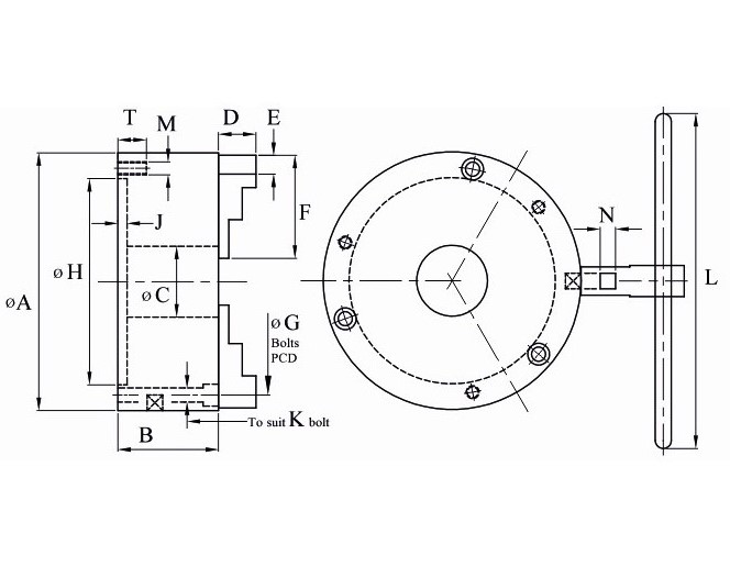
Size

A

B

C

(bore)

D

E

F

G

(PCD)

H

(H7)

J

K/M

L

N

T

Wt.kgs

Approx

6jaw

100

103

52

26

17

15**

37

89

762

3

M6

175

8

12

3.8

160

160

70

42

24

20

65

140

125

6

M10

215

10

20

10.7

200

200

78

55

29

22

80

176

160

7

M10

285

12

22

17.8

230

230

78

70

29

22

80

205

180

7

M10

285

12

22

24.0

250

250

86

76

35

29

95

224

200

7

M12

315

13

25

30.4

270

270

86

90

35

29

95

245

220

7

M12

315

13

25

33.0

315

315

88

105

42

32

109

320

300

7

M12

350

13

25

46.5

400

400

95

150

50

38

141

348

320

7

M16

450

16

32

81.8

450

450

95

180

50

38

141

422

390

7

M16

450

16

32

95.3

 

  • Standard self centering chuck are available with 6 jaws. the same are referred as STC-6 chuck are mainly used to grip jobs having thim walk as holding pressure is divided on six sides. one set of reverse jaws, mounting bolts, operating key and inspection report is provided with each chucks